Page 1 of 1
ZX6 cluster on ZX9
Posted: Wed Dec 26, 2007 11:23 am
by BigDan1
Gday fellas
Im trying to fit a ZX6 cluster on a ZX9R.
Ive tested the cluster by connecting the battery directly on the cluster. Ive tried to rewire the harness as per the wiring diagrams but still no joy.
Anyone know what is required to modify the ZX9 harness so that the ZX6 cluster works?
Re: ZX6 cluster on ZX9
Posted: Wed Dec 26, 2007 4:40 pm
by Slow and wobbly
Ermmm?
Did you connect up the flux capacitor correctly?
Not quite sure eggsakery what you are calling a "cluster" either. Electrifying your gearbox wont help much unless you happen to have a Brock polariser fitted.
More info on the hows and whys required of what you are trying to achieve. Pics perhaps?
Btw. Check out the newbie section and givus an intro - maybe there is "one of us" in your 'hood that could help.
Re: ZX6 cluster on ZX9
Posted: Wed Dec 26, 2007 6:33 pm
by dave#3
Year models for both the zx6 cluster and the zx9 will help too dude!
Re: ZX6 cluster on ZX9
Posted: Fri Dec 28, 2007 12:52 am
by BigDan1
Sorry guys,
trying to put a 00-02 zx6r instrument panel on a 99 ZX9R.
ive tried to modify the harness to suit but did not work.
I know the instrument panel works as ive tested by hooking it up directly to the battery.
How do you read the wiring diagram in a workshop manual? The manual has a bunch of colored wires going from top to bottom? what is the order they are meant to go on the connector?
I will post an introduction on the newbie section for yas
thanks
Re: ZX6 cluster on ZX9
Posted: Fri Dec 28, 2007 6:13 am
by Neka79
hmm this i cant help with....
why changing the cluster?? lower km or sumthin??
Re: ZX6 cluster on ZX9
Posted: Fri Dec 28, 2007 7:33 am
by dave#3
Hmmm, you've piqued my interest.
Looking at the manuals it would seem reasonably straightforward, but it seems they've changed the pin order to stop it being a straight swap. From my reading of this (and remember, I'm definitely not an auto-electrician) I think you need to make the following joins in the harness:
Code: Select all
98zx9 -> 00zx6
--------------
BK/Y -> BR/W
LG -> W
R/BK -> R/BK
GY -> GY
G -> G
BL/R -> BL/R
LB -> LB
R/BL -> R/BL
W -> BK/Y
BR/W -> LG
P -> P
BK/BL -> BK/BL
BL -> BL
Y -> Y
From memory, the colour-codes are:
BK/Y = Black with a Yellow stripe/band
LG = Light Green
R/BK = Red with a Black stripe/band
GY = Grey
G = Green
BL/R = Blue with a Red stripe/band
LB = Light Blue
R/BL = Red with a Blue stripe/band
W = White
BR/W = Brown with a White stripe/band
P = Pink
BK/BL = Black with a Blue stripe/band
BL = Blue
Y = Yellow

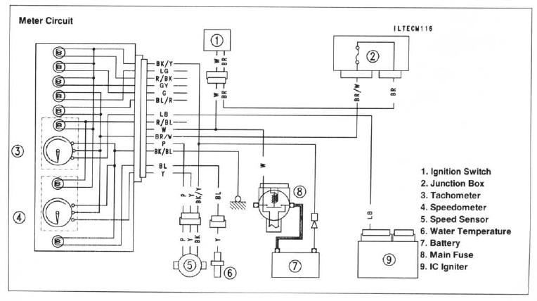
- The wiring diagram for the '98 zx9r instruments
- 98zx9r_inst_wd.JPG (45.01 KiB) Viewed 1389 times

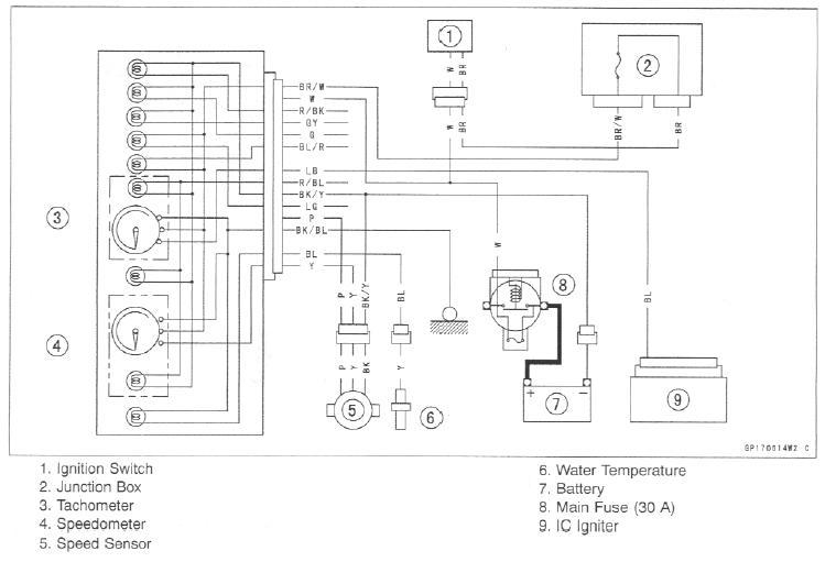
- The wiring diagram for the '00 zx6r instruments
- 00zx6r_inst_wd.JPG (44.63 KiB) Viewed 1388 times

- Pin-out diagram for the '98 zx9r instruments
- 98zx9r_inst_pinout.JPG (54.31 KiB) Viewed 1387 times

- Pin-out diagram for the '00 zx6r instruments
- 00zx6r_inst_pinout.JPG (52.7 KiB) Viewed 1387 times
Good luck with it, and remember, I AM NOT AN AUTO ELECTRICIAN and following these directions may completely f#@k your instruments and all the other electrics on your bike. If you do decide to do it let us know how you went.
Re: ZX6 cluster on ZX9
Posted: Sun Dec 30, 2007 12:15 am
by BigDan1
Thanks guys,
Ive joined the wires as you said and still no joy. I only tested it breifly and went to the pub hehe so ill take another look tommorrow and start tracing wires back to power etc. Those diagrams will come in handy.
The bike has been lowsided so, it has come with half ZX6 parts. I like the look of these guages, so i wanna try to make em work.
Re: ZX6 cluster on ZX9
Posted: Sun Dec 30, 2007 2:44 pm
by dave#3
BigDan1 wrote:Thanks guys,
Ive joined the wires as you said and still no joy. I only tested it breifly and went to the pub hehe so ill take another look tommorrow and start tracing wires back to power etc. Those diagrams will come in handy.
The bike has been lowsided so, it has come with half ZX6 parts. I like the look of these guages, so i wanna try to make em work.
You should know by now Dan that work on the bike should happen *after* the trip to the pub, not before. Good luck with it!